聯(lian)系方式
- 聯系人(ren):洪錦
- 手機:13921190334
- 電話(hua):0510-88752278
- 傳真:0510-88752278
- Email:[email protected]
- [email protected]
- 地址:江蘇(su)省無錫市錫山(shān)區鵝湖鎮柏橋(qiao)路100号
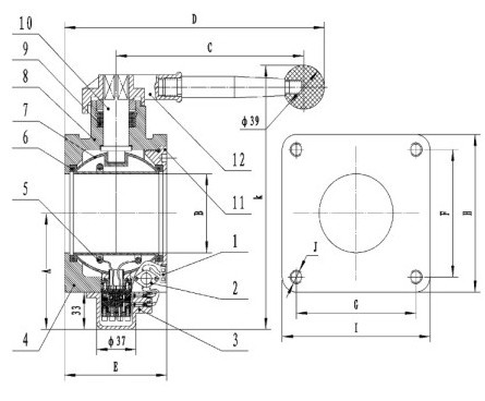
電加(jia)熱方球閥 |
|
|
名稱(cheng):電加熱方球閥(fá) (消防車用球閥(fá) ) 型号:Q0-J-PN25 口徑:DN32----DN80 壓力(li):1.0Mpa---6.4Mpa 溫度:--40℃--350℃ 材質:WCB、304、316、304L、316L…… 設計标準:GB、API、DIN、JIS、ANSI……
|
Copyright © 2008- 無錫(xī)錫山閥門廠有(you)限公司 All Rights Reserved
地址:江(jiāng)蘇省無錫市錫(xī)山區鵝湖鎮柏(bai)橋路100号 郵編:214117
電話:13921190334 傳真(zhēn):0510-88752278 Email:[email protected] 蘇ICP備10073213号
• ·••